Назад в каталог

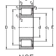
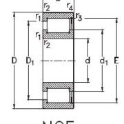
Однорядные роликовые подшипники без сепаратора типа NCF — изделия с цилиндрическими телами качения, внешнее кольцо которых оснащено 1 бортом, а внутреннее двумя. Также они имеют стопорное кольцо, удерживающее ролики. За счет такой конструкции роликоподшипники обеспечивают надежную однонаправленную фиксацию вала и выдержку односторонних осевых нагрузок. Благодаря максимальному количеству роликовых тел качения, заменяющих сепаратор, подшипники типа NCF при малых габаритах могут принимать большие радиальные нагрузки. Бессепараторные модели используются для работы на малых и средних скоростях.

Единица измерения: шт
Вес: 80
Ширина: 132
Внутренний диаметр: 190
Внешний диаметр: 400
Оформить заказ на Подшипник SL192309-C3 (NJG2309) INA вы можете в компании ПОДШИПНИКСНАБ отправив заявку по почте, а также по телефону или в офисе компании .
Вам может понравиться
Успейте купить
Артикул: NJ311 ECP/C3
Производитель: SKF
в наличии: 10 шт.
Размеры:
d,mm = 55
D,mm = 120
B,mm = 29
8 000 Р
6 000 Р
10шт
Артикул: NU314-ECP/C3
Код: 76-32314
Производитель: SKF
в наличии: 5 шт.
Размеры:
d,mm = 70
D,mm = 150
B,mm = 35
15 000 Р
Артикул: NJ219 ECP
Код: 32219
Производитель: SKF
в наличии: 10 шт.
Размеры:
d,mm = 95
D,mm = 170
В,mm = 32
40 000 Р
Успейте купить
Артикул: NJ2211-E-XL-M1-C3
Код: 70-42511Л1
Производитель: SKF
в наличии: 5 шт.
Размеры:
d,mm = 50
D,mm = 90
h,mm = 23
8 000 Р
6 000 Р
5шт
Артикул: NU1052MA/C3
Код: 76-32152Л
Производитель: SKF
под заказ от 2 дней
Размеры:
d,mm = 260
D,mm = 400
h,mm = 65
150 000 Р